Hai esigenze speciali? CONTATTACI
B-MIF

B-MIF

MOLE ABRASIVE RESINOIDI

Per macchine fisse a 4 e 8 inserti filettati per levigatura materiali edili e sgrossatura acciai

Velocità max 50 m/sec.
sezione B-MIF
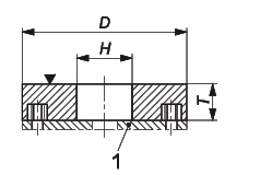
D
Diametro mm
T
Spessore mm
H
Foro mm
250 50-90-95 160
Codice Utilizzo Durata Asportazione
A Per ferro e acciai comuni • pieno• pieno• vuoto • pieno• pieno• vuoto
AZ Per ghise e acciai legati • pieno• pieno• pieno • pieno• pieno• pieno
C Per materiali edili • pieno• pieno• vuoto • pieno• pieno• vuoto