Hai esigenze speciali? CONTATTACI
B-MS

B-MS

MOLE SAGOMATE

Con foro o inserto filettato per sgrossatura su macchine portatili e fisse per lavorazioni nei settori metallurgico e ferroviario.

velocità max 50 m/s
sezione B-MS
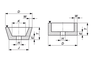
D
Diametro mm
H
Foro mm
125 20/22/32
150 20/22/32
H
Foro filettato mm
M14x2
Whitworth 5/8
Codice Utilizzo Durata Asportazione
A 16 Q Per ferro e acciai comuni • pieno• pieno• vuoto • pieno• pieno• pieno
A 20 Q Per ferro e acciai comuni • pieno• pieno• vuoto • pieno• pieno• pieno

Diverse altezze disponibili su richiesta